Connexion
Espace pro
À propos
Boutique
Contact
Espace pro
Connexion
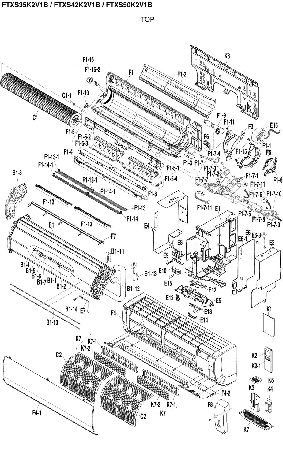
ISOLATION THERMIQUE AVANT 1P314632-1_C
Ref: 5010324
Dispo 1 semaine
4,75 €
TTC
Ajouter au panier
Machine
FTXS35K2V1B
FTXS35K3V1B
FTXS35K3V1B1
FTXS42K2V1B
FTXS42K3V1B
FTXS42K3V1B1
FTXS50K2V1B
FTXS50K3V1B
FTXS50K3V1B1
Emplacement: F1-4
Voir toutes les pièces de FTXS35K2V1B
Réinitialiser
Pièces climatisations DAIKIN
×
Ajouter au panier